Ga direct naar de hoofdinhoud
REDLINETRACTORS
📞 0625224142
✉ info@redlinetractors.nl
REDLINETRACTORS
Home
REDLINETRACTORS
Voorraad Redline tractors
Occasion 2
Occasion 8
Occasion 9
Occasion 10
Occasion 11
Occasion 12
Redline Usa tractors
Voorraad Redline Usa tractors
Usa occasion 7
Usa occasion 8
CONTACT REDLINETRACTORS
Over REDLINETRACTORS
REDLINEPARTS
Webshop Redlineparts
Redlineparts International 88 serie
Redlineparts International 56 serie
Redlineparts International 06 serie
Redlineparts International 86 serie
Redlineparts International 68
Motordelen 68
Transmissie delen 68
Achterbrug hef en wielen 68
Chassis plaatwerk en stickers 68
Elektrisch en dashboard 68
Filters 68
Oliekeerringen 68
Koeling 68
Koppelingsdelen 68
Redlineparts International 66
Werkplaats en instructie boeken
Steve & Jim's Hotrods
Account
Zoeken
0
Verlanglijst
0
Winkelwagen
Webshop Redline Parts
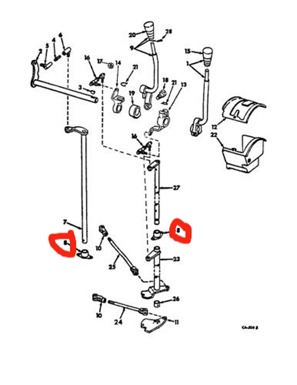
382508R91 A63366 MW0106
€ 32,50
Aantal
In winkelwagen
Lager bus voor schakel hendel
Bearing flange control lever 06 56 66 68